|
|
ICSP Programming
Adapter for 8/14/16/18/20 Pin DIP
PIC12F/16F
|
|
Overview
This is a simple programming
adapter for use with the PICkit2/3 programmers. It can be
built using the PCB provided, on stripboard or a breadboard and
allows the popular 8 to 20 pin PICs to be programmed.
If you regularly work with larger
PICs this adapter may be of limited use. I generally work with
the smaller PICs so a 20-pin adapter is practical for my needs
day-to-day.
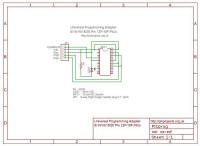
Schematic

schematic

For ICSP (In-Circuit Serial
Programming) the PIC requires only 5 connections between the
PICkit2/3 programmer and the PIC. Since all pins on the PIC are
set to either digital or analogue input at reset the programming signals
and power can be applied to multiple pins without damaging anything
or affecting
programming. The Vpp signal which is raised to around
+12.5volts during programming is applied to only one common pin so
this doesn't present any issues. (This adapter doesn't work with
the 10Fxxx PICs as they have a completely different pin out for the
ICSP connections)
LED1 / R1 are just to give visual
indication of power to the circuit and are not required for
programming.
The output connector on the
PICkit2/3 is a 6 pin socket. Be sure to connect the 5 pin ICSP
plug to the socket starting from pin 1 (see below)
You can use a
standard 20 pin DIP socket or a ZIF (Zero Insertion Force) socket
for SKT1.
PCB Artwork

Artwork
 |

Overlay
 |
|
|
|
|
For those who don't have the
facilities to make their own PCB you can build the
programming adapter on a small stripboard as shown below |
 |

Cut tracks at the points
marked in red
|
|
|
Description
For ICSP (In-Circuit Serial
Programming) the PIC requires only 5 connections between the
PICkit2/3 programmer and the PIC.
Connections for some common PICs
are shown below.

ICSP Programming info

Notes
-
Microchip
do not support the 16F84 with the PICkit2/3
programmers. The PICkit2 does support the
16F84A.
-
The PICkit2 can
program the 16F84 using a modified data file. More
information can be found in this thread on the Microchip forum
site.
http://www.microchip.com/forums/m380459.aspx
-
PIC Microcontrollers
with more than 20 pins use the same five ICSP signals. While
they won't fit on this adapter, if you need to program a bigger PIC
all you need to do is identify the pins from the datasheet for the
specific device and connect them to the PICkit programmer.
-
This adapter
doesn't work with the 10Fxxx PICs as they have a completely
different pin out for the ICSP connections. To program these
devices you will need to make a modified adapter
PICkit 6-pin connector
The PICkit 2/3
programmers use a 6 pin socket. The PICkit programmer can
program a range of EEPROM memory devices as well as PIC
microcontrollers.
Pin 1 of the PICkit
programmer is indicated by a triangular shaped mark. Connect
pins 1-5 of the PICkit programmer to the corresponding pins of the
ICSP header plug. Do not connect pin 6.
For more
information read the PICkit User Guide available as a PDF download
from the Microchip website
Which PICkit Programmer
PICkit2:
Microchip part number PG164120 
PICkit3: Microchip part number PG164130
These are available
from
Farnell
- PICkit2 order code: 9847170
- PICkit3 order code: 1771323
The PICKit programmer is a small device that connects to a PC via a
USB interface. There are two versions now available; the
PICkit2 and PICkit3. Either version will work with the programming
adapter as they have the same ICSP pinout.
The PICkit2 is still a
good choice, lower cost and supports all the PICs listed above.
It is available as a basic programmer-only option or packaged with
development boards. Unless you specifically want the
development board you should buy the basic programmer.
Microchip part number for this is PG164120, it includes a USB
cable and software on CD (the latest software is available to
download free from the Microchip website)
Be aware that the
development boards are not general purpose programming sockets. You
will still need to make a programming socket adapter of some kind to
program PICs other than that supplied with the development board.
Follow this link for
more information on other suppliers of PICkit programmers
Operation
You will need a PICkit2/3
programmer and the free software that comes with the programmer.
The latest versions of MPLAB and PICkit2 standalone application can
be downloaded from the
Microchip website

Connect the adapter to the PICkit
programmer using the 5-pin header plug. Make sure to align it so pin
1 connects to the end of the PICkit socket marked by the white
triangle.
Insert the PIC into the adapter
socket. For PICs with less than 20-pins make sure they are
inserted at the top of the socket (see overlay)
Notes:
-
To program the PIC
using ICSP the PIC does not require any external power supply
connections; the programmer will supply power.
-
During programming the PIC is operating in a different mode to normal operation.
Therefore no external crystal or timing components are required,
even if the PIC will use these in the final application.
Contact us:
 |