Practical PIC Projects
   

53 LED Cube Controller
for PIC16F688 / 16F1824 / 16F1825

 



Description

Do a search on YouTube and you'll turn up literally dozens of video clips of LED cubes, small 3x3x3 cubes,  bi-colour, RGB and mono cubes, amazing 16 x 16 x 16 RGB cubes.  However, very few show you how to make one and provide the firmware.

The cube described on this page uses a 5 x 5 x 5 matrix of single colour LEDs.  This is a good size to experiment with as the number of LEDs required at 125 keeps the cost down, doesn't take too long to assemble and just fits onto a eurocard sized PCB.  The power requirement is under 1 amp and the use of just one colour keeps both the hardware construction and control software fairly simple.

The project includes a ready to program HEX file with some demo cube animations and also the source code.  The firmware implements a simple macro drawing processor command set so if you've got some programming skills you can create your own animations for the cube.

Although the project on this page uses a PCB, the original prototype (see below) was constructed on a prototype pad board so if you're not able to make your own PCB it's still possible to make this project yourself. 

Bigger cubes:

The 5x5x5 LED cube project shown here is a great size if you want to have ago at building a LED cube.
Why? because it gives a good balance between the number of LEDs and therefore cost and time needed to assemble it and the overall 3-D effect.  8x8x8 or even 10x10x10 cubes look good and it doesn't sound much more work than a 5x5x5 cube but you're going from 125 LEDs to 512 or 1,000 LEDs in a 10x10x10 cube - that's a lot of work.


prototype controller


 


prototype controllers and
 LED cube

Underside of prototype LED cube

All lit up; orange 3mm LEDs 


 

LED Cube running latest ledcubeC3.hex firmware showing all 28 animations

 

Cube with blue 5mm LEDs. 


Schematic

Download schematic in PDF

 

Final PCB version

Circuit Description

The LED cube is made up from 125 LEDs arranged into 5 layers of 25 LEDs each.  The display itself is multiplexed so instead of requiring 125 connections it requires one to each of the five layers and 25 to each LED in a layer making a total of 30.  The cube is refreshed by a software interrupt routine with each layer active for 2ms, so the entire cube is refreshed every 10mS (100Hz). This results in a display with no visible flicker.

Only 8  I/O lines are needed to control the LED drivers for the cube which allows a tiny 14 pin PIC 16F688 microcontroller to control the whole cube. This micro has an internal 8Mhz clock and 4Kwords of program memory. 

Each of the LED layers is arranged in a 5 x 5 matrix and controlled by a transistor in an emitter follower configuration connected to the LED anodes.  When the respective layer control output from the PIC goes high the base of the transistor is held at +5V and the emitter sits approximately 0.7 volts below this.   The transistors used are BC637 NPN transistors, if an alternative is used it should be of similar specification, have an Ic rating of at least 1 amp and check the pin out.

The cathodes of the LEDs are connected to IC2 & IC3.  These are CAT4016 low voltage 16-bit constant current sink drivers.  The LED current is set by a single resistor connected to the RSET input of the IC (pin 23).  The 1K8 resistor (R1 & R2) set the LED current to ~33mA; this resistor can be altered to vary the current supplied to the LEDs.   (consult the datasheet CAT4016 before altering the value of this resistor)

LED Cube kits after 10-March-2012 ship with the STP16DP05 driver IC.  This is functionally equivalent to the CAT4016 but requires 620R resistors for the current setting since it uses a different ratio in the current mirror circuit.  (Datasheet for STP16DP05)

Only change the resistor to reduce LED current, the circuit design shown may not work at higher LED currents and components may be damaged.
 
One layer of the cube

One column of the LED cube

The advantage of using a constant current sink driver IC's is that almost any LED can be used and the supply current remains constant regardless of the LED forward voltage.  If the output current does need to be altered, it only requires the two current setting resistor to be changed.

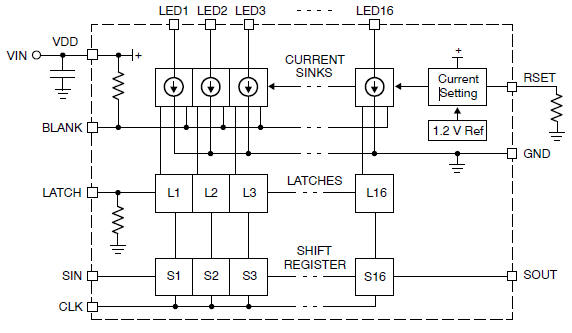
The outputs of the current sink drivers (IC2/IC3) are controlled by the LED data loaded into by the PIC microcontroller.  The driver ICs each contain 16 shift registers and an output latch. The PIC presents 1-bit of LED data to the serial input of IC2 (SIN).  The PIC then generates a pulse on the CLOCK input of both driver ICs to shift the data into them.  The two driver ICs are cascaded (SOUT of IC2 feeds SIN of IC3) so the PIC simply clocks in 25 bits of data.  Once all 25 data bits have been sent to the driver ICs the LATCH signal is pulsed to place the data on the current sink outputs.  The PIC then sets the respective layer drive transistor output high which turns on the required LEDs in one layer.


 IC2/IC3 functional block diagram

Signal Timing Detail for the LED Cube
made with a  Saleae USB 8 channel logic analyzer for mac, PC or linux

The three timing diagrams below are taken from an operating LED Cube using an 8-channel logic capture tool.  This information is provided to show the actual signals generated by the PIC microcontroller that control the LED cube.  Hopefully this clears up any ambiguity about how the hardware works.
(You don't need to know about this to construct a working cube, it's just for the techy ones out there)

Transistor base terminal layer drive signal timing.
You can see the firmware takes about 10mS to scan all 5 layers.
You can also see that a layer is turned off  before the new layer is turned on.
This prevents ghosting between the layers (the diagram below shows it better)


Serial data load signal timing from PIC (IC1) to CAT4016 (IC2) for one layer.
In this timing diagram you can see the CLK signal appears in 5 groups as the
 software clocks in five groups of five bits making up the 25 LEDs of one layer.
The SIN data is shifted into the IC2/IC3 on the rising edge of the CLK signal.


Serial data latch timing (expanded view of previous diagram)
When all 25 bits have been clocked into IC2/IC3, the latch
 signal transfers the data to the driver outputs


Capacitors C1-C6 
The six capacitors C1 - C6 (3 x 100nF & 3 x 3.3uF)) provide power supply decoupling.  C4 and C5 in particular are important and should be tantalum bead (or low ESR electrolytic) types located close to the Vdd power pin of the two driver ICs.

Original design used 10uF capacitors for C4/C5/C6. The value of these capacitors has now be changed to 3.3uF

If you are building the LED Cube from the schematic place a 3.3uF and 100nF capacitor close to the Vdd power pin of each of the three IC's in the circuit. You have then used all six capacitors shown on the schematic and placed them where they are needed.

JP1 & D1
The JP1 (ICSP header) allows in-circuit programming of the PIC microcontroller.  It will work with the genuine Microchip PICKit2 programmer and I've also tested with several clone versions of the PICkit2.  I don't test with any other types of programmer.

Diode D1 allows the PIC programmer when attached to J1 (ICSP header) to detect power on the target board while preventing it from actually powering the target.  Depending on your particular programmer this diode may be omitted altogether, but if in doubt fit it.  If you don't intend to program the PIC in-circuit you don't need the diode.  This diode is not needed when using the Microchip PICkit2 programmer

JP2
Pin header JP2 provide +5volt and Gnd connections and also brings out the PIC I/O port pins RA4 and RA5.  RA4 is also connected to the switch S1 on the PCB.  These are made available for those of you who want to add additional features to the software.

Power LED
The power LED is not critical, you can use almost any 3mm LED for this, or omit it altogether if you don't want a power indicator. 

DC Power Jack J1
Power to the circuit is provided through the DC input jack J1.  This should be connected to a 5 volt regulated power supply capable of supplying at least 1 amp.  The power supply should also be able to maintain regulation while the load switches between 15mA to around 800ma every 2mS, all the plug-top style ones in my workshop work fine but if you have problems this is something to check.

 


PCB Layout

Download PCB artwork in PDF

 

Download Overlay in PDF

Download Overlay (mirrored)

The circuit has been designed to fit onto a single sided 160mm x 100mm eurocard size PCB.  The single sided design makes home production of the PCB straightforward. 


Component List

You can buy all parts needed to build this project from most component suppliers world wide. In the UK you can get everything except the STP16DP05 from Rapid Online and I've included a parts list with their part numbers below.   


What LEDs to use

The overall effect of the LED cube can vary enormously, so choosing and using the right type of LEDs is important.  This section gives some tips and suggestions on the type of LEDs to use.

For the main cube LEDs you can use virtually any 5mm or 3mm LEDs you want.  Some LEDs are better suited for use in a cube than others so here are some tips.

The longer lead on the LED needs to be at least 25mm in length in order to form the cube.  Until recently I had not come across LEDs with leads shorter than this but as of 2014 it would appear that there are LEDs out there with short leads.  Since the PCB is laid out with the columns spaced at 23mm, LEDs with shorter lead lengths won't reach the next LED to solder them together. 

In my opinion the cubes made with 3mm LEDs in diffused packages work best, there is more space within the cube body which makes it visually more effective and the diffused body distributes the light better. 

Water clear packaged LEDs are not very effective since the LED illuminates the one directly above it.  High brightness LEDs are even worse in this respect and LEDs with 15o viewing angle are hopeless in my experience.  LEDs with outputs around 50-150mcd seem to work quite well.

If you can get LEDs in a milky white diffused package these are ideal, however they are generally not that easy to find.

If you have LEDs in a clear package you can diffuse them using Plasti-Kote Glass Frosting spray.  This works quite well but don't spray the LEDs until they've been assembled in the jig otherwise the jig rubs the coating off the side of the LEDs.

One difficulty I've found is that you can find two different LEDs that on spec' appear to have similar light output, but when you compare them in use one is much brighter.

Therefore if you can it's worth experimenting with different LEDs before assembling an entire cube.  You can put together eight LEDs in to a 2 x 2 x 2 cube; connect it into one corner of the driver PCB to get an idea of whether a particular LED is going to work effectively.

Finally, the cube needs 125 LEDs, buy a couple of extra ones so you have spares in case you get a faulty one, lose one etc.

If you are in the United Kingdom, check out the 5mm Colour Diffused LEDs from www.goodwillsales.com.  The cube shown in the photo (right) was constructed using their blue 5mm diffused LED and is very effective.

(The 3mm orange LEDs used on the cube in the top video came from http://stores.ebay.co.uk/component-shop, item is ORANGE Standard 3mm LEDs Pack of 50 )


 

All Rapid parts/descriptions correct at 13-December 2012.  You should check part# and descriptions are correct when ordering in case I've made a mistake transferring them onto this page.

Component Description Part #
R1,2 (order 1 pack) 620r 0.25w Metal Film Resistor Pack of 100 62-0807
R3 (order 1 pack) PACK 100 10K 0.25W CF RESISTOR (RC) 62-0394
R4 (order 1 pack) PK 100 270R 0.25W CF RESISTOR (RC) 62-0356
     
C1,2,3 100N 2.5MM X7R DIELEC.CERAMIC (RC) 08-1015
C4,5,6 3.3uF 16V TANTALUM BEAD 5MM (RC) 11-0636
     
Cube LEDs (order 125+) see text above -
D1 (see note 1) BAT85 SCHOTTKY DIODE 30V DO-34 (RC) 47-3108
Q1,2,3,4,5 * BC635 TRAN NPN 45V 1A TO92 TRUSEMI RC 81-0075
IC1 PIC16F688-I/P MICROCONTROLLER 8-bit DIP14 (RC)
Requires programming.  You can buy the pre-programmed PIC16F688 from Picprojects online shop
73-3698
IC2,3 (see note 2) STP16DP05MTR  SO24 16 BIT LED DRIVER (RC)
See below for alternative parts
n/a
LED1 L-7104GD MINIATURE 3MM GREEN LED (RC) 55-0105
socket for IC1 14 PIN 0.3IN DIL SKT (RC)  (Tube of 34) 22-0108
J1 2.1 PCB DC POWER SOCKET (RC) 20-0970
JP1 (see note 1) 5 WAY R/A SINGLE ROW PLUG (RC) 22-0710
JP2 (see note 1) 4 W SINGLE ROW PCB HEADER PLUG RC 22-0505
S1 TACTILE SWITCH 6X6MM HEIGHT 5MM (RC) 78-0621
LED matrix sockets 32 WAY TURNED PIN SIL SOCKET(RC) 22-1751
Power supply 5V 1.5A MINI PLUGTOP SW MODE PSU RC
or
15W Mini Plugtop PSU 5V DC 2.5amp
85-2955

85-2900


*
You can use BC635, BC637 or BC639 interchangeably for the transistors Q1-Q5.  Whichever is cheapest / easiest to source.

note 1:
JP1, JP2 and D1 are not required to build a working LED cube.  These parts are not supplied with the either the 555FSK or 555LED kits.

note 2:
Alternative LED Driver parts for IC2 & 3

The STP16DP05MTR driver is available from  RS Components.

You can also use alternative parts listed below.  You will need to use the correct LED current limit resistor shown in the table if you use an alternative part.  Those listed as tested have been used to build working LED Cubes. The other parts are equivalents that should work okay but I've not actually built a cube using them.

All these parts are functionally the same; they are just made by different manufacturers.  Any one will work equally well in the LED cube circuit.   No one is better than another, so use whatever you can get hold of at the lowest price.

Part Current Set Resistor R1/R2 Tested
On-semi CAT4016W-T1   1K8 Yes
STP16DP05MTR  (RS, order code 686-4838 pack of 2) 620R Yes
STP16CP05MTR  620R Yes
Macroblock MBI5025 / MBI5026 / MBI5027 620R No
Toshiba TB62726 620R No
TI TLC5926 / TLC5927 620R No
Allegro A6276 620R No

The PCB for the LED Cube project is designed for a SO24 (SOIC-24) package.  All the parts above come in different package types so you should check the suppliers description before ordering to ensure you are buying the correct package type.
  Premier Farnell UK


Power Supply Mishaps 

We've sold lots of kits for the LED cube and on the whole there have been no problems getting the kit to work.

However, a number of times now people have connected the wrong power supply to the board, in several cases they had it working with the correct 5 volt power supply but they have just picked up the wrong PSU by mistake and damaged a working board.  I've done it myself so I speak from experience.

  Tip.  Put some tape or other marking on the end of the power jack lead to make it stand out from all the other DC power jacks you may have around.  This will help avoid picking the wrong one by mistake.

The original board design does not have protection for over-voltage or reverse supply connection. Any voltage above 5 volts, or a reversed power connection will destroy components on the board.

  • The driver chips IC2/3 are the most likely to fail.
     
  • If the voltage applied is >10 volts it will damage or destroy the tantalum capacitors C4/5/6
    If one shows visible signs of damage, replace all of them.

    Note: From February 2013 kits have been supplied with 3.3
    µF / 16 volt tantalum capacitors.  These capacitors will not be damaged by voltages below 16 volts.
     
  • The PIC microcontroller is a little more robust and may well survive a few seconds, but given a high enough voltage or long enough and it too will fail.

Because the PIC microcontroller has input protection diodes connected to the power rails, the board may actually survive a reversed power connection.  This does however depend on the power supply and the length of time it's connected so expect the worst.

Finally, if you do have a power supply accident, contact us and we can sort out replacement components for you at a very reasonable cost.


Construction photos:

Soldering the surface mount parts and assembling the LEDs into a cube are not jobs for a novice electronic kit builder, don't attempt this project unless you are confident of your ability and have the necessary skills and equipment.

Whatever your ability level please take time to read through this section once before starting construction and refer to it again during construction.  You are also advised to refer to the schematic diagram.


Assembly is in two stages; control PCB and LED cube.  It's easiest to assemble the LEDs into a cube using the PCB to hold it in place so I suggest the PCB is assembled first.

1. The controller PCB
2. The LED cube

Assembling the controller PCB

Fig.1

 
Fig .2
Fig. 3

Fig. 1 Check the PCB to make sure all the holes have been drilled, and look for any etching faults, bridges, breaks etc. before commencing with the assembly.

When you're trimming the excess leads from components and link wires DO NOT lift or twist the side cutters as you make the cut.   If you do there is a risk the copper PCB track will break at the edge of the solder joint.  It's very difficult to see at the joint but it's a common cause of faults.  If it does happen it's easy to repair, just scrape off 3mm of the solder resist from the track as it meets the  joint and bridge with solder.

Fig. 2 The design has deliberately been kept to a single sided PCB, however this has meant 16 wire links are needed to interconnect tracks on the copper side.  You should start by installing these wires.

Fig. 3 The PCB supplied in the kit is a professionally manufactured board with screen print and solder resist mask. The silk screen overlay for the PCB doesn't show the location of the 16 link wires. The location of the links is indicated by the yellow lines overlaid on the photo.  (download PDF version of this image )


Fig.4

 
Fig .5

 
Fig. 6

 

Fig. 4/5 Snap the SIL socket in to individual pins (use a knife) and then solder one in to each of the 25 LED holes and 5 layer drive connections.  (you can of course solder the LEDs of the cube directly to the PCB, however it makes repair and removal of the cube difficult should you have a fault or wish to swap cubes)
(The kit includes a 32 way SIL socket strip, you only need 30 so you have two spare)

Fig. 6 Install the resistors. 

Colour value bands on the resistor body are:

Depending on the driver ICs used for IC2/3 you will need to fit different value resistors for R1/R2.

If you are using the CAT4016 driver for IC2/3 resistors R1 and R2 should be 1K8

1K80     1K8 (brown-grey-black-brown-brown)

If you are using the STP16DP05 driver for IC2/3 resistors R1 and R2 should be 620R

   620R (blue-red-black-black-brown)

If you have bought the LED Cube kit #555FSK from the Picprojects eShop, it will include the correct value resistors for use with the driver IC's supplied in the kit.


10K resistor   R3 is 10K  (brown-black-orange-gold) 

270R resistor   R4 is 270R  (red-violet-brown-gold)    

D1, JP1 and JP2 are not included with the 555FSK kit and are not required to build the working cube.


Fig.7

 
Fig .8

 
Fig. 9

 

Fig. 7 Install the capacitors.  There are six in total. C1/2/3 are 100nF and are not polarised so it doesn't matter which way round they go.

C4/5/6 are either 10uF or 3.3uF Tantalum capacitors.   These must be fitted the correct way round.  There will normally be a vertical line and/or '+' symbol on body of the capacitor above the positive lead and one lead is normally longer than the other; the long lead is the '+' positive lead (see photo).

Fig. 8 Install the 5 transistors, again ensuring they are positioned as shown on the overlay.

Fig. 9  Finish the upper side of the PCB by installing the LED, switch, pin headers and sockets.  When installing the LED fit the cathode lead into the hole marked 'Ca' on the PCB.  The LED cathode lead is the shorter of the two leads.

At this point, apply 5 volts to the DC input jack and take note of the following: 

  1. The DC jack requires a centre +ve input connection.  As there is no reverse polarity protection on the board you must ensure the power supply connector is correctly wired or you will destroy components on the board.
  2. You must use a 5 volt regulated DC power supply.

Use a multimeter to ensure there is nominal 5 volts (4.8 volts to 5.25 volts) present between pins 1 and 14 of the IC1 socket.  If not find the fault and correct it before proceeding.


Fig.10

 
Fig .11

 
Fig. 12

 
Fig. 10/11   Views of the assembled PCB from different angles.

Fig. 12  Note the polarity marking on the Tantalum capacitor C5. Install the PIC16F688. Into the socket so the indent is towards the edge of the PCB (arrowed in photo)


In this section we look at fitting the two surface mount driver IC's.

These two ICs have 0.5mm wide pins with 0.5mm space between each pin.  They are not easy to solder so you will need the following: 

  • Good lighting in the work area. 
     
  • It's difficult to solder these two parts with the naked eye so I strongly advise the use of a bench magnifier.
     
  • A suitable soldering iron: I generally like to solder SMD parts with a 0.8mm chisel bit.
     
  • Solder: Use thin solder 24swg (0.6mm) or even 26swg (0.46mm).  Also lead free solder is much harder to work with.  For hobby use you might want to get hold of some 60/40 tin-lead electrical solder.
     
  • Lead free solder, thicker solder (22-18swg) and/or a larger solder iron bit are much more likely to lead to bridges and shorts and generally messing up the assembly.

With care you can easily solder each pin individually and make a neat, clean job of it.  The PCB you can buy from the online store has a solder resist mask which reduces the chances of bridging, though you still need to take care.

 #555FSK kits sold from the Picprojects eShop will contain a pair of STP16DP05 driver IC's


STP16DP05

CAT4016

Fig.13
Fig.14
Fig.15
Fig.13   This is the underside of the PCB showing the location of IC2/3. The IC's are identical so it doesn't matter which one goes on which pads.

Fig. 14  Use solder to tin the pads with a thin layer of solder at the two opposite corners. This will make the next step easier.

Fig. 15  Locate the IC on top of the pads.  You must ensure the IC is fitted the correct way round.  The photo shows a small dimple on the top of the IC package (bottom left). This denotes pin 1.

  1. Carefully align and centre the package over the solder pads, then solder the corner lead on one side. 
     
  2. Check the package is still aligned and then solder the opposite corner on the other side of the package.
     
  3. With only the two corner leads soldered it is easy to re-melt the joints and reposition it if necessary.
     
  4. Once you are happy it is aligned correctly over the solder pads proceed to solder the remaining leads. 
     
  5. Check to make sure there are no solder bridges between any of the leads. If you do get a bridge use some solder wick (copper braid) to remove it.

Once all the pins are soldered to the PCB you will need a heat gun to remove it so you need to get it right first time.

You may have read elsewhere a technique for soldering the surface mount parts where a large soldering iron bit is used to cover all the pins in lots of solder then the excess is removed using solder wick or some other method.  DON'T DO THIS.

 

Fig.16
Fig.17
Fig.18
Fig. 16  /17 Once you have aligned the IC you can solder the remaining pins to the solder pads.

Fig. 18  Once the first IC is solder in place, follow the same procedure with the second IC
 

Fig.19
Fig.20
Fig.21


Fig.19   I soldered this board with a 1.2mm chisel tip, I'd recommend a 0.8mm bit but as you can see it is possible to make a neat, clean job of soldering these parts by hand.

Fig. 20 / 21 These two photos show both driver IC's soldered to the PCB. This is the quality of soldering you should be looking to repeat on your own board.  


Fig.22

Fig. 22  Once both ICs have been soldered in to place you should give the copper side of the board a thorough visual inspection to check for solder bridges between pads and tracks.

Install PCB standoff or spacers into the four mounting holes at the corners of the PCB.  These should provide enough clearance to ensure the board isn't resting on the two Surface Mount ICs.

If you haven't already done so you should also install the PIC16F688 into the IC1 socket making sure it is fitted the correct way round.  There is a small indent in the IC body at one end.  Fit into the socket so this is towards the edge if the board.


Power Supply

WARNING:  You must use a 5 volt regulated power supply.

Connect a 5 volt, 1.0 amp power supply to the DC power input jack J1.  The DC jack requires a centre +ve input connection.  The power supply should be rated for 1 amp or greater, i.e. 1.5 amp would also be fine to use but 0.5 amp isn't.

The power LED1 should light. Measure the voltage between pins 1 and 14 of IC1 again to ensure there is 5 volts present.

As there is no reverse polarity protection on the board you must ensure the power supply connector is correctly wired or you will damage and destroy the LED driver IC's and other parts. 

If you apply a higher voltage to the board you will destroy the PIC and driver ICs.  While the PIC is easy to swap out, removing the two surface mount ICs will be very difficult and likely to result in damage to the PCB.

 


Assembling the LED Cube

It takes me about 01h30m to assemble the LEDs in a cube and that doesn't include assembly of the main PCB so you'll want to allow yourself plenty of time.  Patience is your friend on this one.

  IMPORTANT

When the LED cube is installed onto the circuit board DO NOT attempt to solder or repair connections within the LED cube while the board has power applied.  ALWAYS disconnect the power before working on the LED cube.

If you accidentally short an anode/cathode with power applied there is a high probability that it will destroy a LED driver output in IC2/3.  

To assemble the LEDs into a cube you will need to make a simple jig  using a piece of MDF or similar material (see photo right). You can download a PDF template for the jig here.

LED Jig template

5mm LED cube

Fig.1

 
Fig .2
Fig. 3

 

Fig 1. Carefully bend the leads on each LED as shown.  The LED cathode should be cranked out so it is aligned with the side of the LED package.  This is more important with 5mm LEDs than 3mm LEDs which have a much narrower package.  The anode should be bent to an angle of 90o.  Take care bending the leads to avoid stressing them as they enter the LED body.

I get many emails telling me the LED shown in the photo in fig 1. has the cathode and anode leads the wrong way round because of the shape of the lead inside the LED body; they are not.  

The fig 1. photo should only be used as a reference for forming the leads, not to identify the cathode/anode terminals.   With the vast numbers of cheap LEDs available from the Far East there is no 'standard' way of identifying the cathode and anode leads on the LED. 

DO NOT make any assumptions based on:

  • the shape of the leads inside the LED body
  • the flat on the side of the LED body
  • the length of the leads.

Normally the shorter lead is the cathode but you should verify this before assembling the cube. 

Fig 2. The LED anodes run horizontally around the jig and are connected together.  The LED cathodes are perpendicular to the jig. Install five LEDs into one row of holes as shown.  The last LED should have its anode lead bent round so it connects with the LED in the next row.  Solder the anode of each LED to the next LED. 

Fig 3. Using a 5 volt power supply and resistor (anything from 120 to 330 ohms will work), test each LED to make sure it is not faulty or installed with anode/cathode terminals reversed.  With a 125 LEDs to assemble getting one the wrong way round as the tedium sets in is quite likely!

WARNING.  If you skip this test and get the LEDs assembled into the cube then find an LED isn't working it will be extremely difficult to correct it.

IMPORTANT:

Only do this test while the LEDs are on the jig.  DO NOT attempt to do this testing with the LEDs installed on the circuit board as it may cause damage to the other components. 

Fig.4

 
Fig .5

 
Fig. 6

 

Fig 4. Install LEDs into the next row and solder their anodes together.

Fig 5/6. Connect the anode terminal of the right most LED to the LED in the next row. You will also have the anode lead from the LED to the left meeting at this point.  Solder all three leads together as shown making sure the lead from the LED on the previous row clears the vertical cathode lead.


Fig.7

 
Fig .8

 
Fig. 9

 

Fig 7. Continue to install LEDs in to each of the rows, soldering and testing as you go.

Fig 8. With all five rows completed  solder a wire across all the rows to hold the layer in shape.  This wire also serves as an electrical connection.  Note how the wire goes over-and-under the LED anode leads.

Carefully remove the assembled layer from the jig and put to one side. Repeat the previous steps for each of the five layers.


Fig.10

 
Fig .11

 
Fig. 12

(1280 x 960 resolution)
 

Fig 9-12.  These pictures show the general arrangement of the LED cube. 

Assemble the cube by inserting the cathode leads of the first LED layer into the sockets on the PCB.

Next attach the second layer to the first.  The best way to do this is lie the PCB on its side.  Solder the four corner LEDs of the second layer to the first layer. 

With the four corners soldered, put the PCB flat on the work surface.  Next work around the outside of the cube soldering the two layers together.  Then work your way in to the middle of the cube soldering each LED to the one below.  It's a bit fiddly getting into the middle of the cube but not impossible.

I strongly advise that you do not solder the bottom LEDs into the sockets on the PCB.  The reason for using the sockets is to make it easy to remove the LEDs from the PCB if you need to repair it.

All the time keep looking across the LEDs from several directions to ensure the LEDs in the upper layer are level and aligned with those in the layer below; make any adjustments as needed.  If you don't keep the layers level as you go the whole cube will be distorted by the time you get to the very top layer.

Repeat this until all five layers are connected together to form the cube.


     
Fig.13

 

 

 
Fig 13. Once all the layers are in place attach the five wires to the layer drive sockets as shown in the photo.  Ensure the wires do not short on each other as they rise up through  the cube.  The sockets are spaced apart on the PCB to help with this.  The connections are labelled L1 to L5, L1 being the lowest layer, L5 being the top.

Once the cube is installed on the PCB and all connections have been made, take a good look over the cube assembly to make sure no leads have got bent and are now shorting out against one another.

     Failure to do this is a sure way to damage the LED driver ICs.
 

Important Cube Assembly info'
or
HOW TO AVOID FIRST TIME DISAPPOINTMENT
Please read this.

Several hundred LED cube kits have been sold now and very few customers have problems with them.  However in a handful of cases there is a common problem; that is one or both LED drivers (IC2/3) have a failed output(s).

The most probable cause for this is that at some point there has been a short circuit between the column and layer drive wires somewhere in the cube while it was powered on.

When assembling the layers into a cube and also when attaching the LED cube assembly to the PCB it is easy for a short to occur since the clearance between the wires is very small where the LEDs interconnect (see photo below)

Therefore it is essential to:

  1. Take care during assembly; the cube is easily deformed so be very gentle with it.
     
  2. Do not attempt to solder, tweak the wires or touch the cube assembly when it is powered on - ever.
     
  3. Before powering up for the first time check, check and check again for wires that are shorting together. If you don't find them now, they will show themselves up once you apply power and then it will be too late!

If the output of the driver IC does get shorted directly to the layer wiring it is likely to be damaged faster than you can blink so even the briefest accidental short will most likely damage it.

If you bought a LED Cube kit from Picprojects and you do find you have damaged the LED driver IC contact us and we will replace one pair of LED drivers IC's F.O.C. (free-of-charge) one time only - can't say fairer than that.
 

When all the LEDs in a column remain on all the time it indicates that either:
  • There is a short to ground on that column connection - unlikely
     
  • the output from the LED driver IC connected to that column has failed short-circuit.
     

If none of the LEDs in a single column light it indicates that either the output from the LED driver IC is:

  • not connected to the column - wiring fault
     
  • there is a short circuit between the column and one or more of the layer drive wires
     
  • the output from the LED driver as failed open circuit

If only LEDs in the lower part of a column light but not the ones above.

  • Generally indicates the cathode lead has not been soldered to the LED below.

See Troubleshooting section below


Example of cube constructed with 3mm amber LEDs.

To construct the cube with 3mm LEDs a second template was printed and then fixed to the 5mm jig with an offset.   This was then drilled with 3mm holes to make a single jig that can be used for assembling both 3mm and 5mm cubes.  In practice the body of most 3mm LEDs seems to be about 2.9mm or less so the LED sits a bit lose in 3mm hole.  You might want to drill at 2.5mm and ream the holes out, frankly I couldn't be bothered but it is easier to solder it altogether if the LED body is held by the jig.

 

5mm Cube with green LEDs
This video shows the original prototype of the cube built on some
prototyping board and running an early version of the code.


Troubleshooting

Hundreds of LED cube kits have been sold and very few people contact me with problems.  However, it is quite a technical kit to assemble and the surface mount driver chips (IC2/3) can be tricky to solder.  The information in this section is put together from issues that have come to my attention from end users.

To help troubleshoot problems I've added a diagnostic function to the LED cube firmware. All firmware versions from 1.0.3 (filename LEDcubeC2.hex) will contain this feature. Any kit or pre-programmed chip sold after 31-09-2010 has this code. The diagnostic routine changes the signals between the PIC and the two driver ICs very slowly.  This allows checking of the signals to see that they are present at all the correct pins of the ICs using a simple LED and resistor as a test probe.

Enabling Diagnostic Mode

The diagnostic mode is enabled by grounding pin 2 (RA5) of IC1.  Since the pin is brought out on the JP2 header the easiest way to ground the input is to fit a jumper wire as shown in the photo (right). 

When the board is powered up, if the jumper is present the firmware will run the diagnostic code.  This first clears the shift registers in driver chips IC2/3 so no LEDs should be on.  It then clocks a high level in to the first shift register (IC2) which lights LED 25.  Clock and latch signals are then generated at about 2Hz and the LED 'walks' from LED25 to LED1, when it reaches LED1, it goes back to LED25, at the same time switching to the next layer up.  When it reaches LED1 in layer five it goes back to LED25 in layer one and repeats.
 

Simple Test Probe

The presence of the signals can be checked using a simple LED and resistor as shown in the photo.  With the diagnostic jumper fitted a good place to attach the LED cathode is directly on the jumper since this connects to ground.

A spare LED from the cube can be used but any LED will do.  For the resistor use any value from 150R up to about 1K0.

 

 

Video showing diagnostic mode running

#1 cause of failed LED driver ICs is shorting out the two terminals of an LED in the cube. This can happen when fitting the cube to the PCB, while making final adjustments to the shape of the cube while it's running, or trying to solder the LEDs while it's running. 

  • If a column of LEDs stays ON when the cube is running, (in diagnostic mode a single LED) then either there is a short to ground on that signal or the more likely cause is that the output from the driver IC has failed so it is permanently turned on.  In this case the driver IC will need replacing.
     

  • If a column of LEDs stays OFF when the cube is running, (in diagnostic mode a single LED) then either there is a break in the track to that LED column or the output from the driver IC has failed so it is permanently turned off.  In this case the driver IC will need replacing.

    If you connected a power supply with the wrong voltage it is possible that all the LEDs in a column have been destroyed.  In this case you need to remove the LED cube from the PCB and test the LEDs out of circuit.

    If you think you have a failed driver IC contact Picprojects by email for assistance.
     

  • LED Columns 25-10 are driven by LED driver IC2
    LED Columns 9-1 are driven by LED driver IC3

    If LEDs 25-10 or 9-1 are either all on or all off then the likely cause is a broken connection on either the SIN, CLK or LATCH signals between the PIC and the driver ICs or the two driver ICs themselves.  This should be easy to locate using the diagnostic mode.
     

  • If just a single LED in the cube stays off all the time then it's likely to be either a failed LED, LED not soldered to the rest of the cube or LED installed with the cathode/anode wrong way round (you did test for this during assembly of the cube didn't you?)

    If you connected a power supply with the wrong voltage it is possible that the LED has been destroyed.  In this case you need to remove the LED cube from the PCB and test the LEDs out of circuit.
     

  • Common cause of breaks in the track is mentioned in the construction section.  When link wires or excess leads are trimmed during assembly, twisting the side cutters or pulling up on them as the cut is made can break the copper track at the edge of the solder joint.  To repair it just scrape back 3mm of solder resist and bridge with solder.

 


User Operating Notes

These notes apply to the latest firmware version, ledcubeC3.HEX released 15/01/2011

The LED cube runs as a standalone device.  

The latest firmware can operate in one of two modes:

  1. By default it will run the animation sequences in random order.

     
  2. Pressing and holding switch S1 as the LED cube is powered on selects the sequential mode.  The animations are run sequentially in a continuous loop.

In either mode immediately after power-on the LED Cube displays the text 'PICPROJECTS' followed by the firmware version (currently C3) before continuing in the selected mode.

To modify or develop your own animation effects you will need to modify the source code, reassemble it and reprogram the PIC using a separate PIC programmer.  Details for the drawing processor can be found here

Changing the startup text display

If you want to personalise the text that it displays at startup, here's how.

You will need:

  • The free MPLAB IDE software installed on your computer.    A short guide to downloading and using MPLAB can be found here.
     
  • A PIC Programmer hardware device e.g. Microchip PICkit2

Download the ledCubeC.zip file from the firmware section below and put all the files into a directory on your computer.

Open the files ledCubeC.asm and CubeProgramJAN11.inc

Find the section in the CubeProgramJAN11.inc file shown in the screen dump right.

Each character is animated using two instructions, for example the letter 'P' is done using these two instructions.

LDR R0,    'P'
JSR WRITE

To change the text simply edit the file, changing the characters; you can add or remove the LDR/JSR instruction pairs if you need more or less characters.

LDR RZ,4
MSET
LDR R0,    
'H'
JSR WRITE
LDR R0,    
'E'
JSR WRITE
LDR R0,    
'L'
JSR WRITE
LDR R0,    
'L'
JSR WRITE
LDR R0,    
'0'
JSR WRITE
RET

In the example above the text 'HELLO' will be animated at start-up instead of 'PICPROJECTS'

Once the CubeProgramJAN11.inc file has been modified save it.   Then select the ledcubeC.asm file and reassemble it.  The resulting ledcubeC.HEX file will then need to be programmed into the PIC.

You can go back to the original code at anytime by downloading the ledcubeC.HEX file and re-programming the PIC.



Firmware

Update: 10/03/2014

The code has now been updated to work with the enhanced midrange PIC16F1824 and 16F1825.  The original version of code for the the PIC16F688 is still available.  The two versions are functionally identical.   The 16F688 and 16F1824 run the same animation sequences.  There are six additional animation sequences in the code for the 16F1825 as it has an extra 4K of program memory.

The HEX files for 16F688, 16F1824 and 16F1825 are ready to program directly into a PIC.  The zip file contains the source code which you can modify or just view to see how it works.  If you are going to modify the code I recommend you download and install the Microchip MPLAB IDE which will allow you to edit, modify and program the PIC seamlessly.

Not got a PIC programmer?  Buy a pre-programmed PIC from the on-line shop

This is the latest firmware released on 15-01-2011, ledcubeC3.HEX, v1.0.4

Features new to this version:

  • improved random sequence selection

  • two operating modes; random or sequential

  • 5 new animation effects for a total of 28 effects.

Description Filename Download link
Source code for 16F688 ledcubeC3.zip, v1.0.4, 15/01/2011 download
HEX file fro PIC 16F688 ready to program
(Picprojects original animations)
ledcubeC3.HEX, v1.0.4, 15/01/2011
(animations 15/01/2011)
download
checksum 0x5B9F
     
Source code for 16F1824/16F1825
(MPLABX project files)
LedCube_PIC16F182x_MPLABX.zip v1.0.6, 10/03/2014 download
HEX file for PIC 16F1824 ready to program
(Picprojects original animations)
LedCube_PIC16F1824.hex
v1.0.6, 10/03/2014
download
checksum 0xE7F6
HEX file for PIC 16F1825 ready to program
(Picprojects original animations + Jozef Blahút animations)
LedCube_PIC16F1825.hex
v1.0.6, 10/03/2014
download
checksum 0x88DB
     
     
HEX file ready to program into the PIC
(Jozef Blahút custom animations)
ledcubeC3_JB.HEX, v1.0.4, 14/02/2011
(animations 14/02/2011)
download
checksum 0xC26B
Jozef Blahút animations ZIP file containing new animations download

Jozef Blahút from Slovakia has been busy creating some new animations effects as well as modifying some of the Picprojects ones.  He's made a really good job and I've been impressed enough with them to ask his permission to make them available here.

Because of the memory limitations on the PIC16F688 we can't included all the original animations as well as the new ones created by Jozef.  Therefore I've provided an alternative HEX download that includes all the animations created by Jozef while losing a few of the original Picprojects ones.  In addition to this you can download a ZIP file that contains the new animation effects in separate .TXT files. These can be cut and pasted into a new include file and reassembled to create your own custom mix of animations effects.

Description and programming details for the LED Cube Drawing Processor.

If you need a PIC Programmer I strongly recommend the Microchip PICKit 2, this is available from suppliers world wide or direct from Microchip.  It's reasonably cheap to buy and reliable. 

 



Contact us: